
El STM8S103F3P6 és un microcontrolador de 8 bits fabricat per Stmicroelectronics, conegut per la seva impressionant funcionalitat i la seva integració perfecta.Aquest dispositiu compacte està equipat amb un estil de muntatge de dispositius muntats en superfície (SMD), encarnant un nucli avançat i perifèrics que es fabriquen minuciosament mitjançant la tecnologia d’avantguarda.Amb una freqüència de rellotge de 16 MHz, el STM8S103F3P6 compta amb una capacitat d'E/S robusta, garantint un processament i manipulació eficient de dades.El seu temporitzador independent de vigilància, equipat amb una font de rellotge independent i un sistema de seguretat de rellotge, garanteix un rendiment òptim del dispositiu i la resiliència contra possibles interrupcions.
Una de les seves funcions destacades és la seva memòria flash, que proporciona emmagatzematge no volàtil per a codi i dades.Amb un rang de tensió de funcionament que abasta de 2,95 V a 5,5 V, aquest microcontrolador és altament versàtil i adaptable a diverses aplicacions.A més, ofereix un ampli rang de temperatura de funcionament de -40 ° C a 85 ° C, cosa que el fa adequat per al desplegament en diverses condicions ambientals.
• MSP430G2353
• PIC16LF18444T


Consum d'energia baixa: té una varietat de modes de consum de baix consum per triar, inclòs el mode inactiu, el mode de suspensió, el mode de suspensió profund i el mode OFF, que poden ampliar la vida de la bateria i estalviar energia.
Alt rendiment: Adopta l’arquitectura Core STM8 d’alt rendiment, que permet que la freqüència operativa sigui tan alta com 16MHz, que millora considerablement la velocitat d’execució de la instrucció i proporciona capacitats informàtiques més eficients per a les nostres aplicacions.
Interfícies de comunicació múltiples: admet diverses interfícies de comunicació com SPI (interfície perifèrica en sèrie), I2C i UART.Mitjançant aquestes interfícies, es pot comunicar i interactuar fàcilment amb dispositius externs per aconseguir més funcions i aplicacions.
Perifèrics abundants: El microcontrolador STM8S103F3P6 té recursos perifèrics abundants, incloent 16KB de memòria flash i 1KB de memòria RAM, així com interfícies utilitzades habitualment com ara pins GPIO, temporitzadors i UART.La diversitat d’aquests perifèrics fa que el dispositiu sigui adequat per a diversos escenaris d’aplicacions i pugui satisfer les necessitats de diferents camps i indústries.Tant si es tracta de control industrial, smart o sistemes incrustats, STM8S103F3P6 pot proporcionar suport.

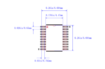
El STM8S103F3P6 està envasat en un paquet de traç reduït de reducció (TSSOP) i té 20 pins.L’espai entre el cos i el plom són menors que els paquets SOIC estàndard.Una característica típica de TSSOP és la formació de pins al voltant del xip envasat, cosa que el fa adequat per muntar el cablejat en PCB mitjançant la tecnologia SMT.Quan s'utilitza el paquet TSSOP, els paràmetres paràsits (pertorbació de la tensió de sortida causada per grans canvis en el corrent) són menors, de manera que és adequat per a aplicacions d'alta freqüència.Aquest tipus de paquet és més convenient per funcionar i té una fiabilitat més elevada.
El paquet TSSOP té les funcions següents:
• Espai entre els passos petits: l’espai de pins és generalment de 0,5 mm o 0,65 mm.Mitjançant el disseny de barres de coure de la placa de circuit, es poden col·locar més dispositius a la placa de circuit amb la mateixa àrea i mida.
• Ampli àmbit d'aplicació: es pot aplicar a diversos camps d'aplicació com ara microcontroladors, DSP, xips de memòria i xips d'alimentació.
• Recompte de pins alts: el nombre de pins és generalment d’uns 20 a 64, que poden complir determinats requisits d’integració del xip.
• Mida del paquet petit: en comparació amb els paquets ordinaris petits (SO), la mida del seu paquet és més petita, el gruix és més prim i el volum és més petit, cosa que el fa adequat per a l’envasament de circuits integrats d’alta densitat.
• Alt rendiment: adopta la tecnologia de muntatge de superfície, té una bona conductivitat i resistència a la corrosió i pot complir requisits especials com ara alta velocitat, alta freqüència, miniaturització, etc.
Tret que s’especifiqui el contrari, totes les tensions es remeten a VSS.
Els valors mínims i màxims es garanteixen en les condicions més adverses, que inclouen la temperatura ambient, la tensió de subministrament i les freqüències.Aquestes garanties s’estableixen mitjançant proves de producció rigoroses realitzades al 100% dels dispositius, realitzades a una temperatura ambient de TA = 25 ° C i TA = TAMAX (tal com es defineix el rang de temperatura escollit).
Els valors basats en els resultats de caracterització, les simulacions de disseny i/o les característiques tecnològiques es descriuen a les notes de pàgina de pàgina i no han estat proves de producció.Pel que fa a la caracterització, els valors mínims i màxims es refereixen a les avaluacions de mostres i signifiquen el valor mitjà amb un rang de més o menys tres vegades la desviació estàndard (mitjana ± 3σ).
Tret que s’indiqui explícitament el contrari, s’estableixen dades estàndard amb TA = 25 ° C, VDD = 5 V. Aquests valors es proporcionen únicament com a referències de disseny i no s’han sotmès a proves.
La precisió típica dels valors d’ADC s’estableix mitjançant la caracterització d’un conjunt de mostres d’un lot de difusió estàndard a través del rang de temperatura complet.En aquest context, el 95% dels dispositius presenten un error dins del valor especificat (mitjana ± 2σ).
Tret que s’indiqui específicament, tots els gràfics estàndard estan destinats només a referències de disseny i no han estat subjectes a proves.
Superar les valoracions màximes absolutes especificades pot causar danys permanents al dispositiu.Aquestes valoracions indiquen exclusivament els límits de l’estrès que el dispositiu pot suportar i no està implicat que el dispositiu funcioni correctament en aquestes condicions.L’exposició a les condicions a prop o a prop de les valoracions màximes pot afectar negativament la fiabilitat del dispositiu.
El perfil de missió del dispositiu, que descriu les seves condicions d’aplicació, s’adhereix a l’estàndard de qualificació JEDEC JESD47, amb perfils de missió ampliats disponibles a petició.
Per assolir l'estabilitat per al regulador primari, s'ha de connectar un condensador extern amb un CEXT CEXT al passador VCAP.És fonamental assegurar -se que la inductància de la sèrie es mantingui per sota de 15 NH.
El consum actual es mesura tal com es mostra a la imatge següent.

Subministrament total Consum actual en mode d’execució
La MCU es col·loca en les condicions següents:
• Tots els perifèrics estan desactivats (rellotge aturat per registres de rellotges perifèrics), excepte si es mencionen explícitament.
• Tots els pins d'E/S en mode d'entrada amb un valor estàtic a VDD o VSS (sense càrrega)
Subjecte a condicions de funcionament generals de VDD i TA.

STM8S103F3P6 té 20 pins, els seus noms i funcions de PIN són els següents:
Pin1 (pd4/ beep/ tim2_ ch1/ uart1 _ck): port d4
Pin2 (pd5/ ain5/ uart1 _tx): port d5
Pin3 (pd6/ ain6/ uart1 _rx): port d6
Pin4 (NRST): Restablir
Pin5 (PA1/Oscin): Port A1
Pin6 (PA2/Oscout): port A2
Pin7 (VSS): terra digital
PIN8 (VCAP): condensador del regulador de 1,8 V
Pin9 (VDD): font d'alimentació digital
Pin10 (PA3/ TIM2_ CH3 [SPI_ NSS]): Port A3
Pin11 (PB5/ I2C_ SDA [TIM1_ BKIN]): Port B5
Pin12 (PB4/ I2C_ SCL): Port B4
Pin13 (PC3/ TIM1_CH3 [TLI] [TIM1_ CH1N]): Port C3
Pin14 (PC4/ CLK_CCO/ TIM1_ CH4/ AIN2/ [TIM1_ CH2N]): Port C4
Pin15 (PC5/ SPI_SCK [TIM2_ CH1]): Port C5
Pin16 (PC6/ SPI_MOSI [TIM1_ CH1]): Port C6
Pin17 (PC7/ SPI_MISO [TIM1_ CH2]): Port C7
Pin18 (PD1/ Swim): Port D1
Pin19 (pd2/ ain3/ [TIM2_ CH3]): Port D2
PIN20 (PD3/ AIN4/ TIM2_ CH2/ ADC_ ETR): Port D3
Com es mostra a la figura anterior, el xip STM8S103F3P6 té fins a 16 pins d'E/S, que es poden utilitzar per a diversos propòsits, com ara GPIO, interfícies perifèriques, ADC, etc.S'utilitza com a pins d'entrada per llegir senyals externs o com a pins de sortida per enviar senyals a dispositius externs.A més, a cada pin d'E/S es pot assignar de manera independent un vector d'interrupció per facilitar el processament precís de les interrupcions quan es produeixen.
• Sistemes d’automatització: aquest microcontrolador es pot utilitzar en sistemes d’automatització com les cortines elèctriques, els sistemes de control d’accés, el control de la temperatura i el control d’il·luminació.
• Aplicació IoT (Internet of Things): si necessitem desenvolupar dispositius IoT, es pot utilitzar com a controlador per a nodes IoT per connectar i controlar diversos sensors i mòduls de comunicació.
• Dispositius electrònics personals: usats en càmeres digitals, jugadors MP3 i MP4, consoles de jocs electrònics, etc.
• Equips electrònics: s’utilitza per desenvolupar diversos equips electrònics
, com ara joguines electròniques, controls a distància, mini calculadores, etc.
• Camp industrial: utilitzat en PLC, controladors industrials, automatització de processos i equips de control automàtic enviats, etc.
• Adquisició de dades i interfície del sensor: s’utilitza per controlar les condicions ambientals i recopilar dades o connectar diversos sensors com ara sensors de llum, sensors de temperatura i sensors d’humitat.
• Sistema de control incrustat: utilitzat per dissenyar diversos sistemes de control incrustats, com ara electrodomèstics domèstics, equips industrials, eines elèctriques, etc. La seva potència de processament de 8 bits és suficient per a moltes tasques de control simples.
El STM8S103F3P6 és un xip de microcontroladors desenvolupat per Stmicroelectronics.Pertany a la família STM8 de microcontroladors de 8 bits i s’utilitza àmpliament en diversos sistemes incrustats i aplicacions IoT.
La unitat de microcontroladors STM8S103F3P6 té una ROM de 640 bits, ADC de 5 bits de 5 bits, 1KB de memòria RAM i amb una mida de memòria del programa de 8KB.
Podem substituir el STM8S103F3P6 per MSP430G2353, PIC16LF18444T, STM8S103F3P3, STM8S103F3P3PR o STM8S103F3P6TR.
Sí, el STM8S103F3P6 està dissenyat amb funcions de baix consum i es pot utilitzar en aplicacions de potència de bateria o de baix consum on l'eficiència energètica és essencial.
Algunes característiques clau de la comunicació STM8S103F3P6 inclouen els pins GPIO (entrada/sortida de propòsit general), comunicació UART (receptor asíncron/transmissor), comunicació i molt més.
SOBRE NOSALTRES
Satisfacció del client cada vegada.Confiança mútua i interessos comuns.
Especificacions tècniques de la cèl·lula de monedes de liti CR2354
2024-08-02
Guia completa del microcontrolador Atmega328-PU
2024-08-02
0603B223K160CTCorreu electrònic: Info@ariat-tech.comHK TEL: +852 30501966AFEGIR: Rm 2703 27F Ho King Comm Centre 2-16,
Fa Yuen St MongKok Kowloon, Hong Kong.